Kontakt icon_arrow_down_small

Wasserbehandlung mit Zukunft

permaster black Korrosionsschutzfilter gegen Rostwasser

permaster black Korrosionsschutzfilter

Bei Korrosionserscheinungen wie akutem Rostwasseraufkommen empfehlen wir unsere speziellen permaster black Korrosionsschutzfilter. Der Rückspülfilter mit Zinkopferanode kann in Kombination mit Grobstrahlreglern, die den Volumenstrom erhöhen, und unserem permasolvent aktiv Korrosionsschutzpaket das Auftreten von braunem Wasser aus der Leitung vermindern.

  • Rückspülfilter mit Zinkopferanode für den Einsatz in der Warmwasserzirkulation
  • Sinnvoll bei akutem Aufkommen von braunem Wasser aus der Leitung
  • Einsatz in Kombination mit permasolvent aktiv Korrosionsschutz-Paketen
  • Erforderliche Mindestleitfähigkeit des Leitungswassers 300 µS/cm
  • Erhältlich in DN 25 bis DN 50

Kann in Kombination mit permasolvent aktiv Korosionsschutzpaketen vorhandenes Rostwasser vermindern

Kann in Kombination mit permasolvent aktiv Korosionsschutzpaketen vorhandenes Rostwasser vermindern

Kombiniert die klassischen Vorteile eines Rückspülfilters mit Zusatzeffekt

Kombiniert die klassischen Vorteile eines Rückspülfilters mit Zusatzeffekt

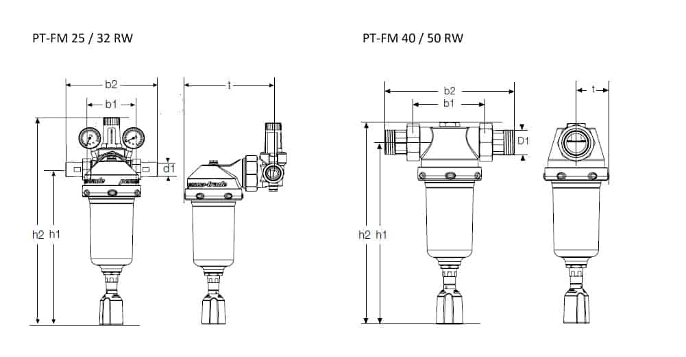
Korrosionsschutzfilter permaster black PT-FM 25/32 RW

Bei bestehenden Korrosionserscheinungen empfehlen wir den Einsatz unseres Korrosionsschutzfilters permaster black RW.

Korrosionsschutzfilter permaster black PT-FM 40/50 RW

Bei bestehenden Korrosionserscheinungen empfehlen wir den Einsatz unseres Korrosionsschutzfilters permaster black RW.

Technische Informationen

Detailinformationen

 

Typ

PT-FM
25 RW

PT-FM
32 RW

PT-FM
40 RW

PT-FM
50 RW

Anschlussgewinde d1 DN
Zoll
25
1
32
40
50
2
Durchfluss in m3/h (∆p=0,2 bar) 6 7,6 12,6 14
Durchfluss in m3/h (∆p=0,5 bar) 9,2 12 20,5 22,7
Maschenweite in µm 200 200 200 200
max. Betriebsdruck in bar 10 10 10 10
max. Betriebstemperatur in °C 60 60 60 60
senkrechter und waagrechter Einbau
Abmessung b1 in mm 110 110 148 148
Abmessung b2 in mm 204 226 264 284
Abmessung h1 in mm 359 359 371 371
Abmessung h2 in mm 398 398 411 411
Abmessung t in mm 198 198 68 68
Gewicht in kg 5,9 6,1 5,7 6,0